Keystone Electronics 4671

Keystone Electronics

Product Information

Adhesive:
-
HTSUS:
8546.90.0000
RoHS Status:
ROHS3 Compliant
Thickness:
0.0030" (0.076mm)
Usage:
TO-220
Shelf Life:
-
Type:
Die-Cut Pad, Sheet
Material:
Mica
Shelf Life Start:
-
Storage/Refrigeration Temperature:
-
REACH Status:
REACH Unaffected
Thermal Conductivity:
-
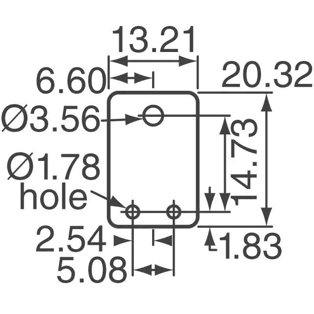
Outline:
20.32mm x 12.83mm
Package:
Bulk
Backing, Carrier:
-
Thermal Resistivity:
-
Moisture Sensitivity Level (MSL):
1 (Unlimited)
standardLeadTime:
14 Weeks
Color:
-
Series:
-
Shape:
Rectangular
ECCN:
EAR99
Checking for live stock

This is manufactured by Keystone Electronics. The manufacturer part number is 4671. It is assigned with possible HTSUS value of 8546.90.0000. The product is rohs3 compliant. It is 0.0030" (0.076mm) thick. The product's typical Applications include uses in to-220. It comes in die-cut pad, sheet configuration. The product is made from highly stable and reliable mica. In addition, it is reach unaffected. The given outline of the product is 20.32mm x 12.83mm. It is shipped in bulk. Its typical moisture sensitivity level is 1 (unlimited). It has a long 14 weeks standard lead time. It is a rectangular product with unique specifications. The product is designated with the ear99 code number

pdf icon
Transistor Mica Insulators, Mounting Kits(Datasheets)
pdf icon
Keystone Electronics REACH(Environmental Information)
pdf icon
Keystone CA Prop65(Environmental Information)
pdf icon
RoHS Certificate(Environmental Information)

Reviews

  • Be the first to review.

FAQs

Yes. You can also search 4671 on website for other similar products.
We accept all major payment methods for all products including ET12303717. Please check your shopping cart at the time of order.
You can order Keystone Electronics brand products with 4671 directly through our website or call us at +44 (0) 3303 800 157 or email our support team at sales@enrgtech.co.uk.
Yes. Our products in Pads, Sheets category are shipped in lowest possible time.
You will get a confirmation email regarding your order of Keystone Electronics 4671. You can also check on our website or by contacting our customer support team for further order details on Keystone Electronics 4671.
We use our internationally recognized delivery partners UPS/DHL. Collection of ET12303717 can also be arranged for the customer by international shipments through contacting our customer support team. Additionally, you can also search"Keystone Electronics" products on our website by using Enrgtech's Unique Manufacturing Part Number 4671.
Yes. You can also search 4671 on website for other similar products.
Yes. We ship 4671 Internationally to many countries around the world.