Deep Groove Detector, 2μm Measuring Range, for use with Surftest SJ-210/Surftest SJ-310

Mitutoyo

Product Information

For Use With:
Surftest SJ-210/Surftest SJ-310
Range:
2µm
Roughness Tester Accessory Type:
Deep Groove Detector
Measuring Force:
0.75mN
RoHs Compliant
Checking for live stock

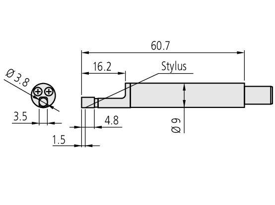
The Mitutoyo 178-383 Deep Groove Detector is a versatile and reliable measuring tool. It has a 2μm measuring range, making it ideal for precision measurements. The Deep Groove Detector is designed to be used with the Mitutoyo Surftest SJ-210 and Surftest SJ-310 series of surface testers.

Features:

The Deep Groove Detector has a variety of features that make it an invaluable tool for measuring small grooves and cavities. It has a long-lasting carbide tip for excellent accuracy and stability, a rubber-coated handle for comfortable grip, and a ratchet stop for repeatable measurements. It also has a built-in magnifier, allowing measurements to be taken with greater accuracy and detail.

Benefits:

The Deep Groove Detector offers a number of benefits, including improved accuracy and repeatability of measurements. It also allows measurements to be taken quickly and easily, making it ideal for use in production environments.

Applications:

The Mitutoyo 178-383 Deep Groove Detector is a versatile and reliable measuring tool with a wide range of applications. It can be used for measuring small grooves and cavities in a variety of materials, including plastics, metals, and ceramics. It is also useful for measuring components such as O-rings, gaskets, and seals. The Deep Groove Detector can also be used for inspecting the surface of parts for defects.

 

pdf icon
Datasheet - 178-383(Technical Reference)

Reviews

  • Be the first to review.

FAQs

Yes. You can also search 178-383 on website for other similar products.
We accept all major payment methods for all products including ET24140554. Please check your shopping cart at the time of order.
You can order Mitutoyo brand products with 178-383 directly through our website or call us at +44 (0) 3303 800 157 or email our support team at sales@enrgtech.co.uk.
Yes. Our products in Surface Roughness Testers category are shipped in lowest possible time.
You will get a confirmation email regarding your order of Deep Groove Detector, 2μm Measuring Range, for use with Surftest SJ-210/Surftest SJ-310. You can also check on our website or by contacting our customer support team for further order details on Deep Groove Detector, 2μm Measuring Range, for use with Surftest SJ-210/Surftest SJ-310.
We use our internationally recognized delivery partners UPS/DHL. Collection of ET24140554 can also be arranged for the customer by international shipments through contacting our customer support team. Additionally, you can also search"Mitutoyo" products on our website by using Enrgtech's Unique Manufacturing Part Number 178-383.
Yes. You can also search 178-383 on website for other similar products.
Yes. We ship 178-383 Internationally to many countries around the world.